Product Summary
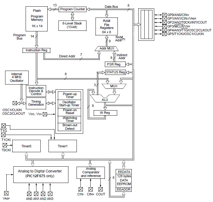
The PIC12F675 is an 8-pin, flash-based 8-Bit CMOS microcontroller.
Parametrics
PIC12F675 absolute maximum ratings: (1)VOS Input Offset Voltage: ±5.0 to ±10 mV; (2)VCM Input Common Mode Voltage: VDD 1.5 V; (3)CMRR Common Mode Rejection Ratio: +55db; (4)TRT Response Time: 150 to 400ns; (5)Ambient temperature under bias: -40 to +125℃; (6)Storage temperature: -65 to +150℃; (7)Voltage on VDD with respect to VSS: -0.3 to +6.5V; (8)Voltage on MCLR with respect to Vss: -0.3 to +13.5V; (9)Voltage on all other pins with respect to VSS: -0.3V to (VDD + 0.3V); (10)Total power dissipation: 800 mW; (11)Maximum current out of VSS pin: 300 mA; (12)Maximum current into VDD pin: 250 mA; (13)Input clamp current, IIK (VI < 0 or VI > VDD): ±20 mA.
Features
PIC12F675 features: (1)High-Performance RISC CPU; (2)Power-Saving Sleep mode; (3)Wide Operating Voltage Range 2.0V to 5.5V; (4)Industrial and Extended Temperature Range; (5)Low-Power Power-on Reset (POR); (6)Power-up Timer (PWRT) and Oscillator Start-up; (7)Timer (OST); (8)Brown-out Detect (BOD); (9)Watchdog Timer (WDT) with Independent; (10)Oscillator for Reliable Operation; (11)Multiplexed MCLR/Input Pin; (12)Interrupt-on-Pin Change; (13)Individual Programmable Weak Pull-ups.
Diagrams

| Image | Part No | Mfg | Description | ![]() |
Pricing (USD) |
Quantity | ||||||||||||
|---|---|---|---|---|---|---|---|---|---|---|---|---|---|---|---|---|---|---|
![]() |
![]() PIC12F675 |
![]() Other |
![]() |
![]() Data Sheet |
![]() Negotiable |
|
||||||||||||
![]() |
![]() PIC12F675-C/P |
![]() Other |
![]() |
![]() Data Sheet |
![]() Negotiable |
|
||||||||||||
![]() |
![]() PIC12F675-C/SN |
![]() Other |
![]() |
![]() Data Sheet |
![]() Negotiable |
|
||||||||||||
![]() |
![]() PIC12F675-E/MD |
![]() Microchip Technology |
![]() 8-bit Microcontrollers (MCU) 1.75KB 64 RAM 6I/O Ext Temp QFN |
![]() Data Sheet |
![]()
|
|
||||||||||||
![]() |
![]() PIC12F675-E/MF |
![]() Microchip Technology |
![]() 8-bit Microcontrollers (MCU) 1.75KB 64 RAM 6 I/O Ext Temp DFN8 |
![]() Data Sheet |
![]()
|
|
||||||||||||
![]() |
![]() PIC12F675-E/P |
![]() Microchip Technology |
![]() 8-bit Microcontrollers (MCU) 1.75KB 64 RAM 6 I/O Ext Temp PDIP8 |
![]() Data Sheet |
![]()
|
|
||||||||||||
![]() |
![]() PIC12F675-E/PG |
![]() Microchip Technology |
![]() 8-bit Microcontrollers (MCU) 1.75KB 64 RAM 6 I/O Lead Free Package |
![]() Data Sheet |
![]() Negotiable |
|
||||||||||||
![]() |
![]() PIC12F675-I/MD |
![]() Microchip Technology |
![]() 8-bit Microcontrollers (MCU) 1.75KB 64 RAM 6I/O Ind Temp QFN |
![]() Data Sheet |
![]()
|
|
||||||||||||
(China (Mainland))










